Nieuws:

Onze Stichting 3rail Wiki bevat een bron van informatie! Bekijk eens een willekeurig artikel in de Stichting 3rail Wiki.

Wat is dit?

Gestart door Ferdi zondag 08 juni 2014, 16:01:00

0 leden en 1 gast bekijken dit board.
Wat is dit?
Lid sinds: 2011

Ferdi

offline
Wat is dit?
Beste mensen,
Kwam deze tegen in een grote doos. Geen idee waar het voor is.
Op de achterkant staat A.Smit revisie 1.
Iemand een idee?
Vriendelijke groeten,
Ferdi.
Re: Wat is dit?
Lid sinds: 2011

Meet (kijk, voel, luister) en weet

offline
Re: Wat is dit?
Hi Ferdi,

Als ik het goed zie zit er een (NE)555 in en da's een timer IC.
En enkele potmetertje om (waarschijnlijk) de tijd in te stellen dus ik den een start-stop printje of voor knipper licht.
(Maar dit kan ook met een IC en ik zie er drie)

Twee draden voor de voeding en twee andere draden voor het licht
Voor b.v. een AHOB zou je dus minimaal drie draden moeten hebben.
Misschien misthoorn ??

groet
Harald
Re: Wat is dit?
Lid sinds: 2011

Meet (kijk, voel, luister) en weet

offline
Re: Wat is dit?
Even verder gezocht een TDA7052 is een geluidsversterkertje (Dus knipperlicht valt af)
de 1458 is een Dual OpAmp IC daar kan je van alles en nog wat mee doen.
De uA741 is een universele (geluids) versterkertje.
Mijn conclusie een geluids generator of zoiets.

groet
Harald
Re: Wat is dit?
Wil Tweeendrie
gast

Re: Wat is dit?
Dag Harald en Ferdi,

De ua741 is een universele opamp (universel amplifier) dus dat kan van alles zijn. Te gebruiken voor alles wat je wil versterken.

Voor een versterker had er minimaal ook nog een ingang op moeten zitten, maar het is voeding (rd/zw) en uit.

Gewoon proberen op 9 volt. Bij geen reactie op de uitgang daarna op 12 v.

Wat voor meet apparatuur heb je, want bij nader inzien zit een IC direkt met de groene draad verbonden en een IC kan meestal geen lampje aansturen, wel een Ledje.


Groetjes Ferdi en aan Harald,

Wil Tweeendrie
Re: Wat is dit?
Forum Moderator
Lid sinds: 2006

Gelukkig liggen de dwarsliggers onder de rail.

offline
Re: Wat is dit?
Het lijkt meer op een toon generator.
Re: Wat is dit?
Wil Tweeendrie
gast

Re: Wat is dit?
Daar zat ik ook net aante denken, een funktiegenerator of zo.

Probeer het eens op www.circuitsonline.net, misschien dat zij wat meer met de IC's kunnen bedenken.
Vermeld wel waar welke IC's staan, de typenummers zijn nogal wazig.

Groetjes

Wil Tweeendrie
Re: Wat is dit?
Lid sinds: 2009

offline
Re: Wat is dit?
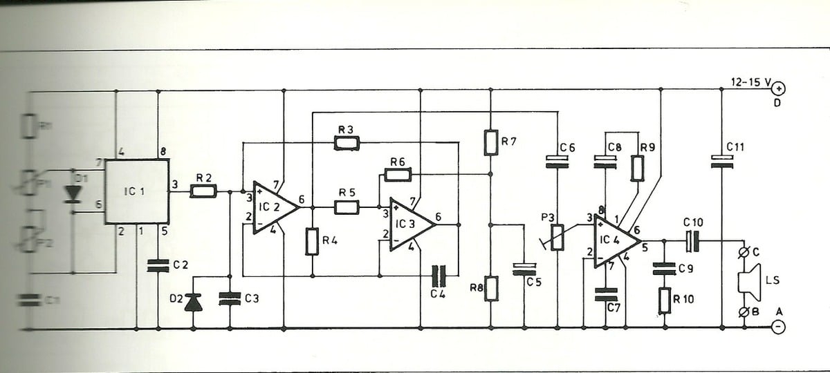
Volgens mij ken ik deze schakeling, het is een overwegbel schakeling. Op de zwarte en rode draad zet je voeding en op de bruin/groene draad een luidsprekertje. Met 1 van de potmeters stel je in hoe snel hij "dingt en dongt" en met de andere twee kun je de toon regelen.


Ik zal eens zoeken of ik het schema weer kan vinden, stond ergens in een oud modelspoor boek.

Groeten Jan Willem

Re: Wat is dit?
Lid sinds: 2011

Meet (kijk, voel, luister) en weet

offline
Re: Wat is dit?
Hi Ferdi,

Wil hem wel eens voor je "uitproberen" (als je een keertje in de buurt bent)

groet
Harald
Re: Wat is dit?
Lid sinds: 2011

Ferdi

offline
Re: Wat is dit?
Beste mensen,
Dank voor alle reacties!
Het is inderdaad een overwegbel. Nou ja, kijk naar het filmpje:

Het is niet echt een bel te noemen. Ook lastig filmen met één hand en de andere hand de potmeters bedienen  :)
Kan ik er iemand een plezier mee doen?
Vriendelijke groeten,
Ferdi.
Re: Wat is dit?
Lid sinds: 2011

Meet (kijk, voel, luister) en weet

offline
Re: Wat is dit?
Een schorre metronoom ... ?
Potm. voor Beat, sound en volume.

groet
Harald
Re: Wat is dit?
Forum Moderator
Lid sinds: 2007

A member of the Duurstede Group®

offline
Re: Wat is dit?
Je zou het kunnen gebruiken bij een voetgangers oversteek plaats, indicatie voor slechtzienden.


Mvg,

Peter Degeluidsman.
Re: Wat is dit?
Freak
gast

Re: Wat is dit?
Citaat van: degeluidsman op maandag 09 juni 2014, 13:21:33
Je zou het kunnen gebruiken bij een voetgangers oversteek plaats, indicatie voor slechtzienden.
Bij zijn HIP ook andere (niet modelspoor) hobbygenoten. Zeker bij de ouderen hobbyisten moet deze schakeling bekend zijn  :D.


Mvg,
Peter
Re: Wat is dit?
Lid sinds: 2009

offline
Re: Wat is dit?
Hierbij het beloofde schema, was even zoeken maar stond in een oud boek genaamd "praktijkboek modelspoorwegen"